Tilbud

Tbs electronic E-xpert Pro instrument

Varenummer: TBS503

Produktspecifikation

9-35VDC
Shunt 500A
Hulstørrelse ø52,0 mm

1.997,00 kr. inkl. moms

Betal sikkert & trygt hos os

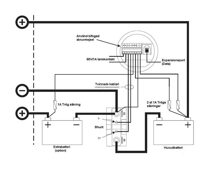
TBS batterimonitor E-xpertPro til at vise spænding, strøm, brugte amperetimer, resterende amperetimer og resterende tid. Det er muligt at måle spændingen af ​​en ekstra batterigruppe, f.eks. startbatteriet. Fuldt programmerbare alarmfunktioner, gemmer målte værdier i hukommelsen til f.eks. se minimum afladning etc. Måler også temperatur, hvis en temperaturføler (tilbehør) er tilsluttet. Kan tilsluttes en computer via interface (tilbehør) til logning og grafisk visning af alle målte værdier.

Tankmålere til batterigruppen for at vide, hvor meget energi der er til rådighed, bliver vigtigere. Voltmetre og amperemeter giver god information, men det kræver en del viden at kunne aflæse batteriets ladestatus. TBS batterimonitorer giver dig al den information, du har brug for at vide, når du skal oplade dine batterier, før det er for sent.

En tankmåler til batterigruppen giver mulighed for bedre driftsøkonomi. Et batteri bør aldrig aflades under 50% af kapaciteten, med monitoren har du mulighed for at overvåge, at dette ikke sker for mange gange.

Opladningen kan styres, så strømforbruget ikke er højere end ladestrømmen. Batterimonitoren måler spænding, strøm og tæller tid. Som tilvalg kan temperaturen også måles. For at få 100% kontrol kræves det, at batterigruppens amperetimer er programmeret ind i instrumentet.

Ved at måle spænding, strøm og tid kan den bruge Peukerts formel til at beregne, hvor mange amperetimer der forbruges. Der tages også hensyn til, om afladningsstrømmen er høj eller lav i forhold til batterikapaciteten. Der findes en funktion til at vise, hvor lang tid der er tilbage, før batteriet er afladet.

Via et datakommunikationssæt kan TBS 503 konfigureres med en computer til at justere funktioner og logge data.

Information

Vægt 2,560 kg
Mærke

Efter du har afgivet din bestilling, påbegynder vi behandlingen af den. For at sikre en problemfri levering, beder vi dig venligst om at oplyse korrekt telefonnummer, da vi muligvis skal kontakte dig vedrørende levering.

Normalt leveres varerne inden for 5 hverdage. I tilfælde af ekstraordinær travlhed vil vi tage kontakt til dig.

For nærmere information om levering gå til Levering & fragt »

Andre købte også

Tilbud

Sjö&Hav Sommerlys

142,00 kr. inkl. moms

Se produkt

Tilbud

Scanstrut Tile indbygningstik USB-C & USB-C sort

599,00 kr. inkl. moms

Se produkt

Tilbud

PaiBoat S12 bagplade til lammeuldsrondel 1601830 Ø 175mm

449,00 kr. inkl. moms

Se produkt

Tilbud

Pakningssæt til Volvo sejldrev 877362

856,00 kr. inkl. moms

Se produkt